
제6회 66인 회원전을
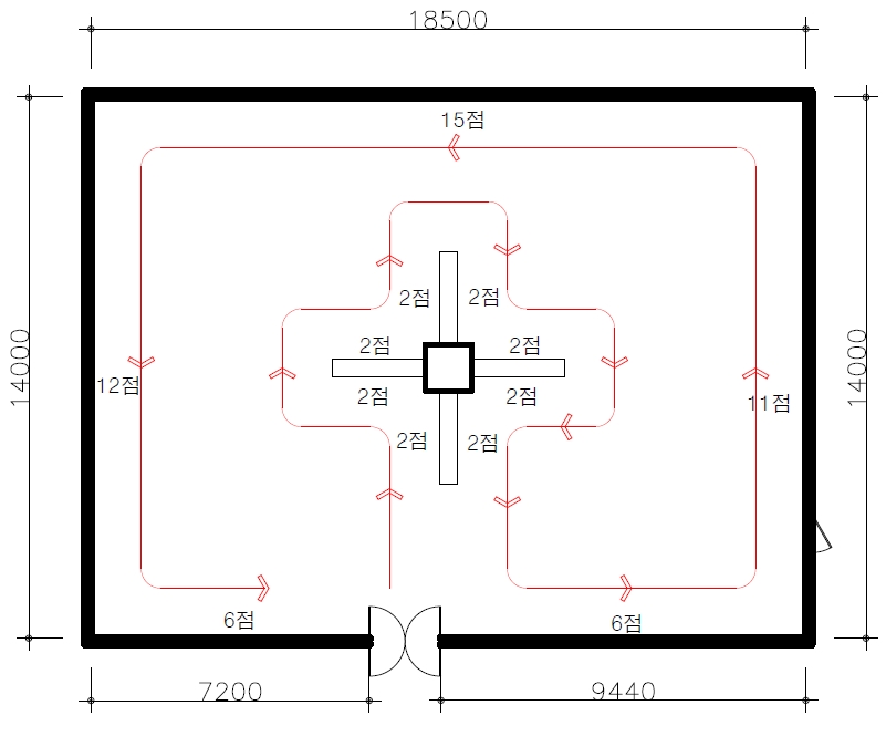
위와 같이 현장조사를 통하여 배치도를 작성하였습니다
도록제작을 위하여 8월31일까지 아래 형식으로 웹하드에 올려주시기 바랍니다
(9월1일 최종 집계를 확정하고자 하오니 누락되어 도록에서 빠지지 않도록 협조를 부탁드립니다)
(올리는 방법)
[경기지부홈페이지] - [공유마당]-[웹하드] .... 이곳에 올려 주세요
* 올리실때 (지회소속)(작가이름)(작품명)을 기록하여 올려주시기 바랍니다
* 파일이름은 반드시 작가이름으로 올려주시고 프로필 사진을 함께 올려 주십시요
(액자제작)
* 개별로 제작(20R / 20"*30" / 508mm*762mm)하시기 바랍니다
* 제출은 별도로 일자 및 제출처를 공지하겠습니다
